Wählen Sie einzelne Artikel in der nachfolgenden Tabelle für Detailinformationen, weitere Bilder und Dokumente.
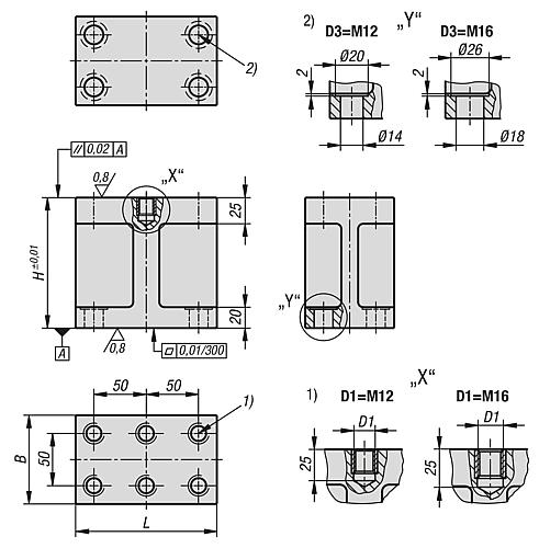
KIPP K1536.21613585125 - HÖHENBLOCK KURZE AUSFÜHRUNG, FORM:H
Werkstoff: GJL 300. Ausführung: Auflage- und Aufspannflächen geschliffen. Bestellbeispi...
Mehr aus der Kategorie:
Aufspannplatte
Verkauf und Versand durch
Ausführungen
Werkstoff:
GJL 300.
Ausführung:
Auflage- und Aufspannflächen geschliffen.
Bestellbeispiel:
K1536.21213585100
Hinweis:
Höhenblöcke werden zum modularen Aufbau von Vorrichtungen eingesetzt. Es können mehrere Höhenblöcke aufeinander montiert werden. Auf dem obersten Höhenblock werden Auflageelemente, Spannmittel und Anschläge montiert. Höhenblöcke werden mit Zylinderschrauben DIN 912 befestigt.
Zeichnungshinweis:
1) Gewindebohrung
2) Durchgangsbohrung für Zylinderschraube DIN 912
GJL 300.
Ausführung:
Auflage- und Aufspannflächen geschliffen.
Bestellbeispiel:
K1536.21213585100
Hinweis:
Höhenblöcke werden zum modularen Aufbau von Vorrichtungen eingesetzt. Es können mehrere Höhenblöcke aufeinander montiert werden. Auf dem obersten Höhenblock werden Auflageelemente, Spannmittel und Anschläge montiert. Höhenblöcke werden mit Zylinderschrauben DIN 912 befestigt.
Zeichnungshinweis:
1) Gewindebohrung
2) Durchgangsbohrung für Zylinderschraube DIN 912
RAL Farbwert auswählen
ACHTUNG: Die Bildschirmdarstellung der Farbe weicht vom wirklichen Farbton ab!
